Oggi è giovedì 4 dicembre 2025, 22:34

Tutti gli orari sono UTC + 1 ora [ ora legale ]




Apri un nuovo argomento Rispondi all’argomento  [ 15 messaggi ] 
Autore Messaggio
 Oggetto del messaggio: Il condensatore dove va?
MessaggioInviato: domenica 22 dicembre 2024, 8:25 
Non connesso

Nome: Colantoni Davide
Iscritto il: venerdì 15 dicembre 2023, 10:38
Messaggi: 27
Buongiorno a tutti! sto pian piano illumminando delle carrozze seguendo lo schema che ho riportato in foto; il problema nasce dal fatto che il condensatore seppur grande non fornisce il minimo supporto nel momento in cui vinene meno la presa di corrente dalle ruote, sembra una discoteca! Potete aiutarmi a sistemare il circuito in modo che funzioni correttamente? Grazie mille in anticipi a tutti!!


Allegati:
file.jpg
file.jpg [ 44.87 KiB | Osservato 4096 volte ]
Top
 Profilo  
 
 Oggetto del messaggio: Re: Il condensatore dove va?
MessaggioInviato: domenica 22 dicembre 2024, 10:32 
Non connesso

Iscritto il: mercoledì 20 settembre 2006, 20:44
Messaggi: 6365
Località: Sorbolo di Sorbolo Mezzani (PR)
Intanto cè un errore di fondo nel circuito.
Con i led in parallelo sommi le singole correnti 15-20 mA di ogni led.
Bisogna mettere i led in serie con una sola resistenza, quanti led mettere dipende dalle tensione di led e dalla tensione minima di accensione.
Sarebbe anche opportuno mettere un diodo in uscita dal ponte sul polo positivo per evitare che il condensatore alimenti anche i binari.
Può tornare utile anche uno stabilizzatore di tensione dopo il condensatore.
Infine bisogna essere sicuri che il condensatore funzioni di per se.


Top
 Profilo  
 
 Oggetto del messaggio: Re: Il condensatore dove va?
MessaggioInviato: domenica 22 dicembre 2024, 11:15 
Non connesso

Iscritto il: lunedì 16 gennaio 2006, 19:47
Messaggi: 224
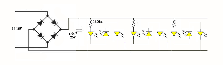
ecco il circuito, per la la resistenza valuta un eventuale cambio di valore per avere una luce più realistica


Allegati:
3f4a2991b759629101f7b0fd74fd587c.jpg
3f4a2991b759629101f7b0fd74fd587c.jpg [ 224.08 KiB | Osservato 4035 volte ]
Top
 Profilo  
 
 Oggetto del messaggio: Re: Il condensatore dove va?
MessaggioInviato: domenica 22 dicembre 2024, 11:23 
Non connesso

Iscritto il: lunedì 16 gennaio 2006, 19:47
Messaggi: 224
risultato finale


Allegati:
S3790002 (1).jpg
S3790002 (1).jpg [ 51.57 KiB | Osservato 4031 volte ]
Top
 Profilo  
 
 Oggetto del messaggio: Re: Il condensatore dove va?
MessaggioInviato: domenica 22 dicembre 2024, 14:14 
Non connesso

Iscritto il: martedì 21 marzo 2017, 12:08
Messaggi: 1656
Io lo fare così:
Allegato:
2024-12-22_134553.jpg
2024-12-22_134553.jpg [ 67.03 KiB | Osservato 3983 volte ]


anche se, visto il basso costo, preferisco illuminare le carrozze con una strip con decoder in modo da accendere/spegnere la carrozza a piacimento.

Roberto


Top
 Profilo  
 
 Oggetto del messaggio: Re: Il condensatore dove va?
MessaggioInviato: lunedì 23 dicembre 2024, 7:40 
Non connesso

Nome: Colantoni Davide
Iscritto il: venerdì 15 dicembre 2023, 10:38
Messaggi: 27
Grazie mille per le dritte, da quello che ho capito la miglior soluzione è mettere i led in serie anche 3 a 3; l'unico problema è che soprattutto nelle carrozze a scompartimenti i led sono dispari e mi troverei con una serie di led da 2, come posso far equivalere quella serie ad una da 3?. Per quanto riguarda il circuito proposto da Tartaruga devo dire che è ottimo per me ma purtroppo un condensatore da 4700uf non riesce ad entrare nel bagno della carrozza :(


Top
 Profilo  
 
 Oggetto del messaggio: Re: Il condensatore dove va?
MessaggioInviato: lunedì 23 dicembre 2024, 8:27 
Non connesso

Iscritto il: lunedì 16 gennaio 2006, 19:47
Messaggi: 224
DavideGTT ha scritto:
Grazie mille per le dritte, da quello che ho capito la miglior soluzione è mettere i led in serie anche 3 a 3; l'unico problema è che soprattutto nelle carrozze a scompartimenti i led sono dispari e mi troverei con una serie di led da 2, come posso far equivalere quella serie ad una da 3?. Per quanto riguarda il circuito proposto da Tartaruga devo dire che è ottimo per me ma purtroppo un condensatore da 4700uf non riesce ad entrare nel bagno della carrozza :(


scritto male, il valore è 470 e li trovi anche smd.


Top
 Profilo  
 
 Oggetto del messaggio: Re: Il condensatore dove va?
MessaggioInviato: lunedì 23 dicembre 2024, 9:24 
Non connesso

Iscritto il: lunedì 16 gennaio 2006, 19:47
Messaggi: 224
DavideGTT ha scritto:
Grazie mille per le dritte, da quello che ho capito la miglior soluzione è mettere i led in serie anche 3 a 3; l'unico problema è che soprattutto nelle carrozze a scompartimenti i led sono dispari e mi troverei con una serie di led da 2, come posso far equivalere quella serie ad una da 3?. Per quanto riguarda il circuito proposto da Tartaruga devo dire che è ottimo per me ma purtroppo un condensatore da 4700uf non riesce ad entrare nel bagno della carrozza :(



quando metti una striscia led che va da un estremo all'altro si illumina tutto. inoltre ci sono in commercio strisce led di larghezza più stretta rispetto la standard e con più led e ne puoi mettere anche due file, con queste ho illuminato in alcune carrozze scompartimenti e corridoi (tipo le Z Lima)


Top
 Profilo  
 
 Oggetto del messaggio: Re: Il condensatore dove va?
MessaggioInviato: lunedì 23 dicembre 2024, 9:45 
Non connesso

Iscritto il: martedì 21 marzo 2017, 12:08
Messaggi: 1656
Perché usare due strips quando si può fare con una sola strip (a basso costo e con decoder) che, oltre ai led principali, ha altre 3 uscite con le quali si possono illuminare lanterne di coda, corridoi o altro ?? Tutto dimmerabile.
Ci sono anche strips con una 30ina di led dove si può accendere (e regolare in intensità) il singolo led corrispondente allo scompartimento (e la ritirata) che si vuole illuminare.


Top
 Profilo  
 
 Oggetto del messaggio: Re: Il condensatore dove va?
MessaggioInviato: lunedì 23 dicembre 2024, 10:15 
Non connesso

Iscritto il: lunedì 16 gennaio 2006, 19:47
Messaggi: 224
Etsero17 ha scritto:
Perché usare due strips quando si può fare con una sola strip (a basso costo e con decoder) che, oltre ai led principali, ha altre 3 uscite con le quali si possono illuminare lanterne di coda, corridoi o altro ?? Tutto dimmerabile.
Ci sono anche strips con una 30ina di led dove si può accendere (e regolare in intensità) il singolo led corrispondente allo scompartimento (e la ritirata) che si vuole illuminare.


un decoder per ogni carrozza..........a me costerebbe un bel po, preferisco striscia (o strisce) senza decoder..........poi ognuno si fa i conti con le proprie tasche...........


Top
 Profilo  
 
 Oggetto del messaggio: Re: Il condensatore dove va?
MessaggioInviato: lunedì 23 dicembre 2024, 10:19 
Non connesso

Iscritto il: martedì 21 marzo 2017, 12:08
Messaggi: 1656
Sicuramente fatte in casa e analogiche costano un po' meno, ma devi costruirle e comunque hai le carrozze sempre accese.
Io quando il convoglio va nella stazione nascosta spengo tutto.
Una strip con decoder e con 3 uscite addizionali a 10€ non mi sembra molto, visto che, inoltre, risparmi un bel po' di lavoro.


Top
 Profilo  
 
 Oggetto del messaggio: Re: Il condensatore dove va?
MessaggioInviato: lunedì 23 dicembre 2024, 12:17 
Non connesso

Iscritto il: lunedì 16 gennaio 2006, 19:47
Messaggi: 224
Etsero17 ha scritto:
Sicuramente fatte in casa e analogiche costano un po' meno, ma devi costruirle e comunque hai le carrozze sempre accese.
Io quando il convoglio va nella stazione nascosta spengo tutto.
Una strip con decoder e con 3 uscite addizionali a 10€ non mi sembra molto, visto che, inoltre, risparmi un bel po' di lavoro.


oltre il discorso del risparmio mi diverto a realizzarle da me


Top
 Profilo  
 
 Oggetto del messaggio: Re: Il condensatore dove va?
MessaggioInviato: lunedì 23 dicembre 2024, 12:55 
Non connesso

Iscritto il: martedì 21 marzo 2017, 12:08
Messaggi: 1656
A me invece piace accenderle e spegnerle quando voglio.


Top
 Profilo  
 
 Oggetto del messaggio: Re: Il condensatore dove va?
MessaggioInviato: domenica 5 gennaio 2025, 11:46 
Non connesso

Nome: Colantoni Davide
Iscritto il: venerdì 15 dicembre 2023, 10:38
Messaggi: 27
alla fine ho risolto continuando a montare i led in parallelo così da poter gestirne il numero e la posizione a piacimento. Il condensatore da 1000uf le tiene accese per qualche secondo dopo che perdono il contatto con il binario. Ora la mia domanda è: se volessi pilotare le carrozze con un solo decoder e una condotta passante quanti led posso gestire senza bruciare l'uscita? si va da un minimo di 9 led ad un massimo di 13 per carrozza.


Top
 Profilo  
 
 Oggetto del messaggio: Re: Il condensatore dove va?
MessaggioInviato: domenica 5 gennaio 2025, 13:44 
Non connesso

Iscritto il: martedì 21 marzo 2017, 12:08
Messaggi: 1656
Devi capire (misurare) qual'è l'assorbimento della stiscia, incluso il picco iniziale quando il condensatore è scarico.


Top
 Profilo  
 
Visualizza ultimi messaggi:  Ordina per  
Apri un nuovo argomento Rispondi all’argomento  [ 15 messaggi ] 

Tutti gli orari sono UTC + 1 ora [ ora legale ]


Chi c’è in linea

Visitano il forum: Nessuno e 10 ospiti


Non puoi aprire nuovi argomenti
Non puoi rispondere negli argomenti
Non puoi modificare i tuoi messaggi
Non puoi cancellare i tuoi messaggi
Non puoi inviare allegati

Cerca per:
Vai a:  
banner_piko

Duegi Editrice - Via Stazione 10, 35031 Abano Terme (PD). Italy - Tel. 049.711.363 - Fax 049.862.60.77 - duegi@duegieditrice.it - shop@duegieditrice.it
Direttore editoriale: Luigi Cantamessa - Amministratore unico: Federico Mogioni - Direttore responsabile: Pietro Fattori.
Registro Operatori della Comunicazione n° 37957. Partita iva IT 05448560283 Tutti i diritti riservati Duegi Editrice Srl