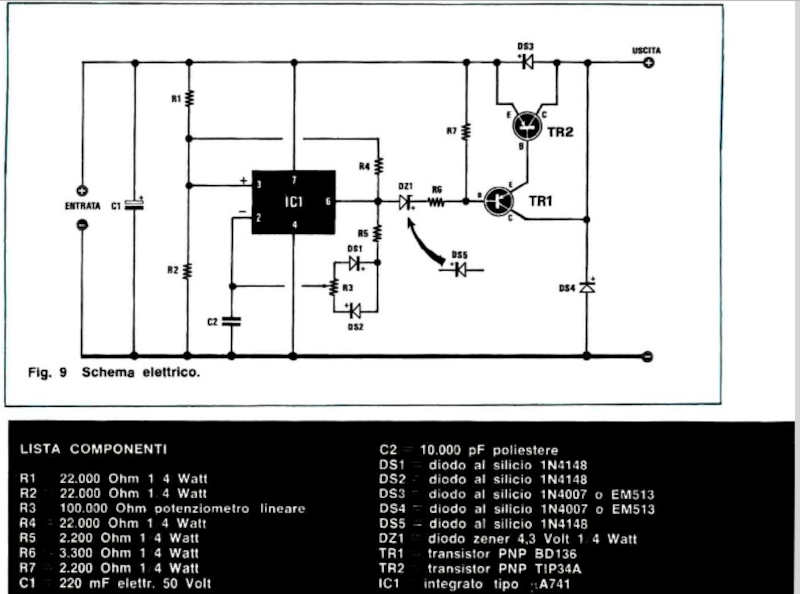
Se ve la cavate con l'elettronica (se c'è ancora qualcuno che sperimenta...), potete adattare questo circuitino apparso quarant'anni fa su Nuova Elettronica, quando l'ho adatattato io era già fuori produzione. Sì, è un PWM specifico per carichi induttivi come i nostri modelli.
Allegato:
Commento file: Full chopper... per modelli
Istantanea_2025-05-14_19-13-45.jpg [ 154.36 KiB | Osservato 2930 volte ]
Le modifiche che ho fatto (obbligato a usare la basetta "millefori") sono state le seguenti:
L'integrato è diventato un TL081 (ha la stessa piedinatura)
Dove è data l'alternativa, il diodo è un 1N4007 e non uno zener
Il condensatore C2 scende a 1 nF (1000 pF)
Il condensatore C1 sale a 4700 uF (serve anche come livellamento dell'alternata proveniente dal trasformatore e raddrizzata da un ponte piuttosto "strong")
Notare i diodi per far ricircolare le extratensioni dovute alla commutazione delle spazzole dei motori: NE le aveva prese in considerazione!
Io ho usato un potenziometro con interruttore (caruccio) perchè vi ho collegato in uscita un circuitino che inibiva l'inversione se la tensione non era a zero o quasi, ma è una finesse che ho messo io.
Una trentina d'anni fa era apparso un regolatore di concezione americana (lo chiamavano TAT-V) che a mezza tensione passava automaticamente dalla regolazione PWM a quella "zavorra", o resistiva (come pilotasse il finale non ho mai capito), non era commerciale, bisognava farselo e io non ho mai approfondito.
Aggiungo: un amico sperimentatore ha trovato lo schema del TAT-V (è formato da due basette separate, che possono anche stare in due mobiletti diversi): per chi ce l'ha, era su Model Railroader di aprile 1994. Ad ogni modo, lo schema ora ce l'ho... e non è semplice! (leggi: col cavolo che vado a costruirlo!

)