Oggi è martedì 28 aprile 2026, 3:47

Tutti gli orari sono UTC + 1 ora [ ora legale ]




Apri un nuovo argomento Rispondi all’argomento  [ 7 messaggi ] 
Autore Messaggio
 Oggetto del messaggio: Assali per binari codice 75
MessaggioInviato: lunedì 11 settembre 2023, 20:51 
Non connesso

Iscritto il: lunedì 30 novembre 2009, 23:48
Messaggi: 773
Salve a tutti, ho già parlato in questo forum della mia decisione di utilizzare, per le parti a vista del mio plastico, binari codice 75. Una scelta sicuramente valida dal punto di vista estetico e del realismo, ma anche foriera di svariati problemi di esercizio, sia con le locomotive che con i carri.
Riguardo a questi ultimi, avrei preso la decisione di sostituire gli assali di quelli piu datati con un. tipo adatto a evitare he quando ci passano sopra facciano un baccano tipo la taranta pugliese.
Sapete dirti che caratteristiche (altezza del bordino etc.) dovrebbero avere, per essere sicuro che vadano bene?
Grazie a tutti!
Marco


Top
 Profilo  
 
 Oggetto del messaggio: Re: Assali per binari codice 75
MessaggioInviato: martedì 12 settembre 2023, 11:55 
Non connesso

Iscritto il: giovedì 12 gennaio 2006, 8:53
Messaggi: 6277
Località: Bruschi
Il bordino basta che sia a norme nem , Rp 110 ma il problema e' la lunghezza degli assi che a seconda della casa produttrice varia anche sensibilmente...il peco cod 75 consente gia molto , ma evidentemente i tuoi rotabili che fanno rumore devono essere abbastanza datati. Risolvere il problema sulle locomotive è un po piu difficile...ricambi non sempre si trovano o esistono...


Top
 Profilo  
 
 Oggetto del messaggio: Re: Assali per binari codice 75
MessaggioInviato: martedì 12 settembre 2023, 20:38 
Non connesso

Iscritto il: lunedì 30 novembre 2009, 23:48
Messaggi: 773
claudio.mussinatto ha scritto:
Il bordino basta che sia a norme nem , Rp 110 ma il problema e' la lunghezza degli assi che a seconda della casa produttrice varia anche sensibilmente...il peco cod 75 consente gia molto , ma evidentemente i tuoi rotabili che fanno rumore devono essere abbastanza datati. Risolvere il problema sulle locomotive è un po piu difficile...ricambi non sempre si trovano o esistono...


Cosa intendi esattamente quando ti riferisci alla lunghezza dei assi?


Top
 Profilo  
 
 Oggetto del messaggio: Re: Assali per binari codice 75
MessaggioInviato: martedì 12 settembre 2023, 20:53 
Non connesso

Iscritto il: martedì 21 marzo 2017, 12:08
Messaggi: 1722
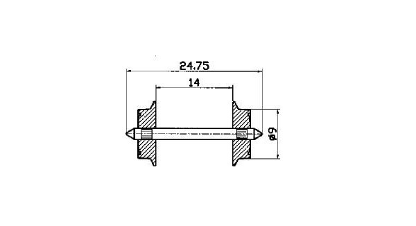
Quello che nel disegno è lungo 24.75.


Allegati:
IMG_1465.jpeg
IMG_1465.jpeg [ 16.16 KiB | Osservato 1549 volte ]
Top
 Profilo  
 
 Oggetto del messaggio: Re: Assali per binari codice 75
MessaggioInviato: martedì 12 settembre 2023, 21:05 
Non connesso

Iscritto il: lunedì 30 novembre 2009, 23:48
Messaggi: 773
Ah ok, quindi secondo te i rumori di rotolamento e i sobbalzi derivano più dalla larghezza degli assi che dall'altezza del bordino ruota?


Top
 Profilo  
 
 Oggetto del messaggio: Re: Assali per binari codice 75
MessaggioInviato: martedì 12 settembre 2023, 22:53 
Non connesso

Iscritto il: lunedì 22 gennaio 2018, 20:10
Messaggi: 376
State facendo parecchia confusione.
Lo scartamento per la scala H0, secondo le norme NEM è comunque 16,5 mm.
Ci sono poi errori nel montaggio degli assi per cui quello scartamento non è più rispettato ma, in quel caso, il problema non è tanto il ticchettio ma proprio lo svio del rotabile.
La larghezza tra le punte coniche (o comunque le estremità dell'assile) è un'altra misura che nulla ha a che vedere con lo scartamento (che rimane sempre uguale) ma che attiene alle scelte produttive di ogni singolo costruttore.
Il problema del ticchettio è dovuto all'altezza del bordino e, in questo caso, si fa riferimento alla norma NEM 311 e soprattutto 311.1 che raccomanda l'altezza minima del bordino per avere un giusto compromesso tra realismo (ottenibile con configurazioni diverse che esulano dalle norme NEM) e circolabilità.


Top
 Profilo  
 
 Oggetto del messaggio: Re: Assali per binari codice 75
MessaggioInviato: martedì 12 settembre 2023, 23:01 
Non connesso

Iscritto il: martedì 21 marzo 2017, 12:08
Messaggi: 1722
Principe Anchisi ha scritto:
Ah ok, quindi secondo te i rumori di rotolamento e i sobbalzi derivano più dalla larghezza degli assi che dall'altezza del bordino ruota?


No, ti si voleva solo avvisare che non tutti gli assali hanno la stessa lunghezza e devi vedere carro per carro. Il rumore è del bordino che interferisce con i punti di fissaggio delle rotaie.


Top
 Profilo  
 
Visualizza ultimi messaggi:  Ordina per  
Apri un nuovo argomento Rispondi all’argomento  [ 7 messaggi ] 

Tutti gli orari sono UTC + 1 ora [ ora legale ]


Chi c’è in linea

Visitano il forum: Google [Bot] e 33 ospiti


Non puoi aprire nuovi argomenti
Non puoi rispondere negli argomenti
Non puoi modificare i tuoi messaggi
Non puoi cancellare i tuoi messaggi
Non puoi inviare allegati

Cerca per:
Vai a:  
banner_piko

Duegi Editrice - Via Stazione 10, 35031 Abano Terme (PD). Italy - Tel. 049.711.363 - Fax 049.862.60.77 - duegi@duegieditrice.it - shop@duegieditrice.it
Direttore editoriale: Luigi Cantamessa - Amministratore unico: Federico Mogioni - Direttore responsabile: Pietro Fattori.
Registro Operatori della Comunicazione n° 37957. Partita iva IT 05448560283 Tutti i diritti riservati Duegi Editrice Srl