Oggi è martedì 23 dicembre 2025, 15:00

Tutti gli orari sono UTC + 1 ora [ ora legale ]




Apri un nuovo argomento Rispondi all’argomento  [ 51 messaggi ]  Vai alla pagina 1, 2, 3, 4  Prossimo
Autore Messaggio
 Oggetto del messaggio: gestione luci loco
MessaggioInviato: sabato 7 novembre 2015, 18:13 
Non connesso

Iscritto il: sabato 31 ottobre 2015, 14:20
Messaggi: 28
salve ragazzi sono nuovo nel forum.a breve devo sistemare i led (cioè l'illuminazione fari) del mio caimano acme,colpa lasciato in un postaccio umido.nel frattempo la mia domanda è una volta sistemati, so che saranno in base al senso di marcia ,ma non indipendenti ,e dato che ho il digitale precisamente un maltimause roco ,li devo rendere indipendenti.come decoder ho l'esu v4,decoder abbastanza a detta di altri complicato da settare.all'inizio non ci credevo però ora che lo sto provando,insieme anche in generale,(il mondo del digitale )mi sta mettendo in difficolta.dunque raggionandoci sopra ho cercato di progettare un cirquitino che mi renda indipendente sia luci rosse che terzo faro,e dunque l'ho fatto, anche se con qualche limitazione (per esempio le luci centrali devono essere accese per far si che il cirquito vada in funzione),all'occorrenza quindi c'è l'ho, sempre se funzioni poi.però siccome nel digitale ci sono le cosiddette cv forse me lo posso risparmiare,perchè appunto basta programmare il decoder,ma il fatto e che non so che cv adottare,neanche il procedimento che c'è da fare per programmarle(ho il digitale da una settimana),sono al buio su tutto,è ancora tutto un mondo sconosciuto per me.voglio rendere indipendente sia terzo faro,luci rosse e centrali,ma se si può fare in digitale non so appunto che devo fare,qual è il procedimento spiegato passo passo? ,perché neanche con il manuale ho capito molto.grazie


Top
 Profilo  
 
 Oggetto del messaggio: Re: gestione luci loco
MessaggioInviato: sabato 7 novembre 2015, 19:43 
Non connesso

Iscritto il: mercoledì 8 marzo 2006, 9:28
Messaggi: 1036
Località: Genova
Ciao Mat646, se era un caimano Roco ok, ma con l'Acme il caimano ha seri problemi sul circuito (pcb), cioè sbagliato!! :evil:

Ti scrivo per il caimano non Navetta!

Senza toccare niente con le cv esu di fabbrica, ti bastano le funzioni F1 e F2 per renderli indipendenti, il ragionamento sarebbe in traino con luci rosse spente lato gancio (F2) e terzo faro acceso/spento con F1. Se la loco è isolata puoi accendere con F2 le luci rosse lato gancio. Nella direzione opposta, sempre isolata, si accendono le luci rosse lato frontale e luci bianche lato gancio con F1 facoltativo acceso/spento e F2 spento.

Per fare ciò, devi farti un circuito "stile Roco", nel senso che il terzo faro si deve accendere con F1 e in automatico accendersi nel senso di marcia, cosa con l'Acme non puoi fare.

E' dura spiegarti cosa devi modificare nel circuito, senza contare che ci sono due versioni diverse di pcb, quindi mi devi dire il codice della locomotiva, se trovo le modifiche che ho fatto nelle mie, ti posto tutto qua sul forum, magari può essere utile anche ad altri.

F0 per accendere le luci, poi le funzioni F1 filo verde e F2 filo viola.

Saluti

Mureddu Giovanni


Top
 Profilo  
 
 Oggetto del messaggio: Re: gestione luci loco
MessaggioInviato: sabato 7 novembre 2015, 21:43 
Non connesso

Iscritto il: sabato 28 febbraio 2009, 11:32
Messaggi: 1108
Mat646 benvenuto, sei straniero? Mi sembri nuovo anche con l'italiano.


Inviato dal mio iPad utilizzando Tapatalk


Top
 Profilo  
 
 Oggetto del messaggio: Re: gestione luci loco
MessaggioInviato: sabato 7 novembre 2015, 22:41 
Non connesso

Iscritto il: sabato 31 ottobre 2015, 14:20
Messaggi: 28
ciao ragazzi ,il locomotore è appunto un acme un e655 081 il codice è 60084


Ultima modifica di mat646 il lunedì 23 novembre 2015, 20:57, modificato 1 volta in totale.

Top
 Profilo  
 
 Oggetto del messaggio: Re: gestione luci loco
MessaggioInviato: sabato 7 novembre 2015, 23:20 
Non connesso

Iscritto il: venerdì 20 gennaio 2006, 10:59
Messaggi: 5056
Ti sei complicato la vita ... te la potevi cavare con molto meno.

Questo è un esempio (uno dei più semplici anche come reperibilità dei materiali ... ma se ne trovano a pacchi in rete):

Allegato:
DccSplitAux.jpg
DccSplitAux.jpg [ 62.82 KiB | Osservato 7982 volte ]


Lo usavo quando i decoder avevano solo la aux1 e, se andava bene, anche la aux2.

Lo schema è adatto a qualunque decoder che ha uscite ausiliarie amplificate.

Il funzionamento è banale. quando l'uscita aux1 viene attivata il transistor va in conduzione, dei due led collegati si illuminerà solo quello collegato all'uscita luci in quel momento attiva (ovviamente se le luci sono spente anche questi led saranno spenti). Identicamente per l'aux2.

I transistor sono dei PNP "general pourpose".
Volendo utilizzare dei componenti SMD un esempio potrebbero essere questi (il primo datasheet che ho trovato): http://www.nxp.com/documents/data_sheet ... _BC858.pdf
Se si vogliono utilizzare componenti standard sono adeguati transistor di similari caratteristiche.

Il led e le resistenze per il terzo faro e la luce cabina non sono specificati nei valori perché sono i soliti che si è abituati ad utilizzare.

la corrente assorbita da 3° fari e/o Luci cabina va a sommarsi a quella della rispettiva luce fari ... quindi attenzione a non superare la corrente massima che il decoder può erogare su quell'uscita (ma trattandosi di led non ci dovrebbero essere problemi).

La corrente necessaria invece su aux1 e aux2 è intorno ai 15 mA (limitata dalle resistenze da 1K ... si possono anche portare a 2 o più K, tanto il guadagno del transistor è ampiamente sufficiente ad erogare i mA necessari ad accendere i led).

Le resistenze da 10K servono solo ad evitare che il transistor vada in conduzione per qualche spuria che arriva sulla base ... potete provare ad ometterle (nel 95% dei casi non avrete problemi).

Un consiglio per tutti quei decoder che permettono il dimming delle luci: la luminosità dei led (es. quello del 3° faro) è influenzata sia dalla CV che regola l'uscita FL (ad. esempio) che da quella che regola aux1 (tramite il transistor) ... però l'azione contemporanea e combinata di queste due regolazioni può essere spesso imprevedibile (dipende da come sono costruiti internamente i decoder). Se i tentativi di regolazione non danno esiti soddisfacenti suggerisco di tenere la CV della luminosità di aux1 e 2 sempre al massimo e regolare il tutto tramite le CV di FL e RL, ovviamente la luminosità del 3° faro e della luce cabina rispetto ai fari andrà regolata intervenendo sulle resistenze.

Spero di essere stato chiaro.


Top
 Profilo  
 
 Oggetto del messaggio: Re: gestione luci loco
MessaggioInviato: domenica 8 novembre 2015, 13:11 
Non connesso

Iscritto il: sabato 31 ottobre 2015, 14:20
Messaggi: 28
ok ragazzi,quindi per attivare aux1 basta solamente premere f1 ed invece aux2 con f2.non bisogna programmare nessuna cv nell'esu ,è già tutto programmato di fabrica.nel caso avessi bisogno di chiarimenti riguardo appunto la programmazione del decoder tramite la centrale (maltimause)vi farò sapere.


Top
 Profilo  
 
 Oggetto del messaggio: Re: gestione luci loco
MessaggioInviato: lunedì 9 novembre 2015, 14:42 
Non connesso

Iscritto il: martedì 9 settembre 2008, 9:45
Messaggi: 2211
Località: Breil sur Roya
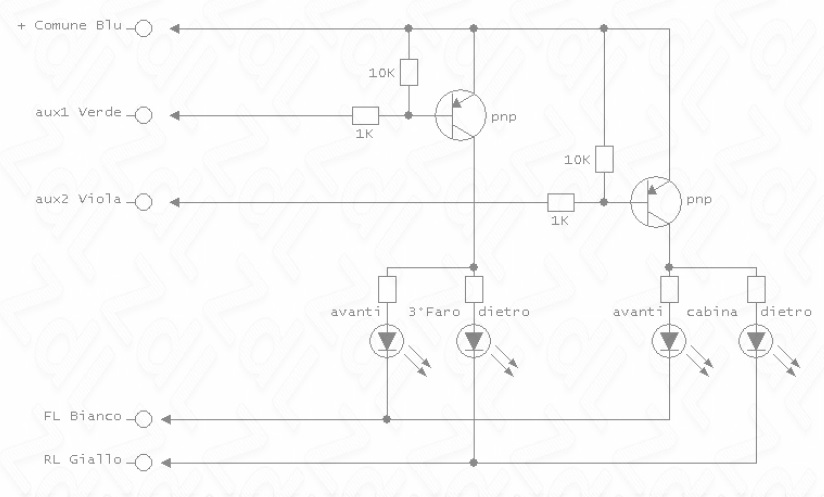
Un'altra soluzione per lo stesso problema, comandare 6 luci con solo 4 uscite del decoder:

Immagine

Immagine

Se il mapping prevede:
F0 = luci av/ind bianco/giallo
F1 = verde
F2 = viola

allora con F0 hai le luci bianche anteriori, premendo anche F1 hai le rosse in coda (macchina isolata) e aggiungendo F2 hai i terzo faro anteriore. Invertendo al marcia le luci ovviamente si invertono.

Le combinazioni utili sono:

Tutto spento
F0 Luci avanti
F0-F2 Luci avanti e terzo faro
F0-F1 Luci avanti e rosse
F0-F1-F2 Luci avanti, rosse e 3 faro

Montato per prova, funziona.

Ciao, alpiliguri.


Top
 Profilo  
 
 Oggetto del messaggio: Re: gestione luci loco
MessaggioInviato: martedì 10 novembre 2015, 14:10 
Non connesso

Iscritto il: sabato 31 ottobre 2015, 14:20
Messaggi: 28
ok,ragazzi grazie,ma il tasto f0(ripeto sono un ciuccio nel digitale, ce l'ho solo da una settimana perciò per tutto quel che lo circonda,ho bisogno di spiegazioni precise e mirate,che mi aiutino ad intuire il funzionemento di tale)per esempio f1 ed f2 sarebberò attivabili senza modifiche,quindi già di fabrica,ma f0 su che cv bisogna settarlo,e quali sono i passi da seguire.sarebbe il tasto 0 del malitmause


Top
 Profilo  
 
 Oggetto del messaggio: Re: gestione luci loco
MessaggioInviato: martedì 10 novembre 2015, 14:27 
Non connesso

Iscritto il: martedì 9 settembre 2008, 9:45
Messaggi: 2211
Località: Breil sur Roya
Su tutti i decoder il tasto F0 è associato a due uscite fisiche, in marcia avanti attiva il filo bianco, in marcia indietro attiva il filo giallo. Serve per le luci principali, di solito si collegano le bianche.
Non ha da settare nessuna CV, a meno di non voler un funzionamento differente.

Sul multimaus credo corrisponda al tasto OK con la lampadina accesa.

Comunque prima di metterti a modificare locomotive ti consiglio di studiare bene il manuale del decoder per capire come funzionanti le associazioni tasti - uscite e le possibilità che ti offre.
In rete c'è moltissimo materiale che spiega i principi generali, applicabili a tutti i decoder.

Ciao, alpiliguri.


Top
 Profilo  
 
 Oggetto del messaggio: Re: gestione luci loco
MessaggioInviato: martedì 10 novembre 2015, 15:04 
Non connesso

Iscritto il: sabato 31 ottobre 2015, 14:20
Messaggi: 28
ahh il tasto se è quello con la scritta (ok con il simbolo della lucetta)l'ho usato migliaia di volte,e che devo ancora saper riconoscere bene i tasti del maltimause.


Top
 Profilo  
 
 Oggetto del messaggio: Re: gestione luci loco
MessaggioInviato: venerdì 13 novembre 2015, 18:41 
Non connesso

Iscritto il: sabato 31 ottobre 2015, 14:20
Messaggi: 28
purtroppo l'esu v4 essendo solo con due uscite aux 1 e 2,forse mi sa che per rendere ancora più luci indipendenti(per esempio anche quelle centrali,e non in base al senso di marcia)serva un decoder funzioni,magari l'esu fx v4,che ha 4 uscite da mettere insieme all'altro esu.


Top
 Profilo  
 
 Oggetto del messaggio: Re: gestione luci loco
MessaggioInviato: venerdì 13 novembre 2015, 19:13 
Non connesso

Iscritto il: venerdì 20 gennaio 2006, 10:59
Messaggi: 5056
mat646 ha scritto:
purtroppo l'esu v4 essendo solo con due uscite aux 1 e 2...


Detta così è detta male:
- l'esu V4 con spina 8 poli è come dici;
- il V4 mtc21 ha anche aux3 e aux4 ma di tipo logico (e lo standard del connettore che lo impone ... ma basta un transistor per amplificarle oppure usare l'art.51968 che, oltre al connettore con le piazzole per saldare i fili, offre anche l'amplificazione di aux3 e 4);
- il V4 plux22 ha anche lui aux3 e aux4 però amplificate e quindi direttamente utilizzabili (e, pare, nell'ultima versione anche la 5, 6 e 7 ... ma non si è capito se su piazzole a saldare o riportate sul connettore. Segnalo anche la piastrina per Plux di Uhlenbrock, di cui non ricordo l'articolo, che può essere utilizzata per fare un bel lavoro pulito quando si digitalizza una loco non predisposta).

Poi ci sono anche i decoder funzioni ... ma anche la piastra d'espansione per i decoder con mtc21 (art. 51970) che permette di arrivare fino ad aux8 e connettere anche due servo.

Insomma ... di soluzioni possibili ve ne sono diverse.


Top
 Profilo  
 
 Oggetto del messaggio: Re: gestione luci loco
MessaggioInviato: venerdì 13 novembre 2015, 22:29 
Non connesso

Iscritto il: sabato 31 ottobre 2015, 14:20
Messaggi: 28
bhe si hai ragione ho generalizzato troppo.comunque io per la precisione ho l'esu v4.0 51611 quindi un 8 poli,e di uscite ne ha due,quindi se voglio magari ancora di più dovrei segliere un decoder esu fx ,da abbinarci.magari appunto per le luci sopra citate


Top
 Profilo  
 
 Oggetto del messaggio: Re: gestione luci loco
MessaggioInviato: sabato 14 novembre 2015, 0:27 
Non connesso

Iscritto il: venerdì 20 gennaio 2006, 10:59
Messaggi: 5056
Certo mettere due decoder sulla stessa macchina è una soluzione ... ma poi gestirli può essere un delirio (c'è il modo sia chiaro ma ... non è proprio immediato da mettere in pratica, spesso si preferisce smontarne uno e programmarlo separatamente).

Due decoder sulla stessa macchina occupano il doppio dello spazio e costano ...

Tanto per parlare ... non sarebbe meglio capire di quante uscite hai bisogno e trovare un decoder più adatto? Quello che hai puoi sempre usarlo da qualche altra parte oppure rivendertelo.


Top
 Profilo  
 
 Oggetto del messaggio: Re: gestione luci loco
MessaggioInviato: sabato 14 novembre 2015, 1:17 
Non connesso

Iscritto il: sabato 31 ottobre 2015, 14:20
Messaggi: 28
servirbbe un classico 8 poli,ma solo con 4 aux.riguardo a prima ora mi rendo conto che comunque (mi sono fatto due calcoli)arrivare a spendere forse una cinquantina di euri per sti due decoder non sia proprio il massimo della scelta,già l'esu l'ho pagato 25 euro.mi servirebbero altri due aux per i fari bianchi appunto indipendenti.altri decoder?bhe se no mi accontento.


Top
 Profilo  
 
Visualizza ultimi messaggi:  Ordina per  
Apri un nuovo argomento Rispondi all’argomento  [ 51 messaggi ]  Vai alla pagina 1, 2, 3, 4  Prossimo

Tutti gli orari sono UTC + 1 ora [ ora legale ]


Chi c’è in linea

Visitano il forum: Google [Bot], iCvesuvio, umbriele e 30 ospiti


Non puoi aprire nuovi argomenti
Non puoi rispondere negli argomenti
Non puoi modificare i tuoi messaggi
Non puoi cancellare i tuoi messaggi
Non puoi inviare allegati

Cerca per:
Vai a:  
banner_piko

Duegi Editrice - Via Stazione 10, 35031 Abano Terme (PD). Italy - Tel. 049.711.363 - Fax 049.862.60.77 - duegi@duegieditrice.it - shop@duegieditrice.it
Direttore editoriale: Luigi Cantamessa - Amministratore unico: Federico Mogioni - Direttore responsabile: Pietro Fattori.
Registro Operatori della Comunicazione n° 37957. Partita iva IT 05448560283 Tutti i diritti riservati Duegi Editrice Srl