Oggi è sabato 25 aprile 2026, 18:25

Tutti gli orari sono UTC + 1 ora [ ora legale ]




Apri un nuovo argomento Rispondi all’argomento  [ 3 messaggi ] 
Autore Messaggio
 Oggetto del messaggio: ELETTROTECNICA: chiedo valutazione dello schema elettrico
MessaggioInviato: venerdì 23 settembre 2011, 14:48 
Non connesso

Iscritto il: venerdì 27 maggio 2011, 13:43
Messaggi: 22
Ciao a tutti!
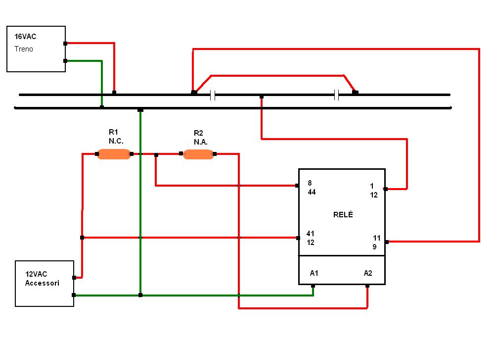
Ho elaborato un circuito elettrico per evitare collisioni nei pressi di un incrocio nella stazione nascosta (previsto sul mio plastico). Tuttavia ho bisogno, prima del cablaggio, delle vostre valutazioni perché con l’elettrotecnica non mi sento molto sicuro.

Descrizione comportamento:
Quando un treno transita nei pressi di un incrocio, se sull’altro ramo si sta avvicinando un altro convoglio, quest’ultimo si arresterà fino a quando il primo non è transitato tutto lasciando libero l’incrocio. Solo ora il secondo convoglio riparte. Il tutto automaticamente, grazie alla presenza di 2 reed. Il primo convoglio aziona il reed R1 (posizionato in entrata all’incrocio). Il relé, toglie corrente al tratto isolato dell’altro binario. Un altro eventuale treno sopraggiungente sull’altro ramo dell’incrocio si arresta. Quando il primo treno transita sul secondo reed, il relé si diseccita ridando corrente al secondo convoglio che riparte. E’ ovvio che la distanza tra i 2 relé deve essere uguale o superiore al più lungo treno in circolazione.
Il primo reed sarà un N.C. (normalmente chiuso) ed il secondo un N.A. (normalmente aperto). Quest’ultimo è di difficile reperibilità, ma è facilmente estraibile dal gruppo magnetico dei sistemi di allarme sulle porte o sulle finestre.
Note importanti per la vostra valutazione:
Grazie alla (parziale) consulenza di un amico elettricista, vi posso garantire che i collegamenti sul relé sono corretti (ricordiamoci che ogni produttore sullo zoccolo o sui morsetti mette la propria numerazione).
Mi chiedevo se non fosse il caso di installare anche un fusibile (1.5 A) tra la centralina digitale e la rotaia di fase).

In conclusione: Un circuito come quello che ho disegnato io, farà quello che ho descritto?

Grazie per i vostri pareri.


Allegati:
Immagine.JPG
Immagine.JPG [ 49.21 KiB | Osservato 1938 volte ]
Top
 Profilo  
 
 Oggetto del messaggio: Re: Vs. Valutazione Schema Elettrico
MessaggioInviato: venerdì 23 settembre 2011, 23:09 
Non connesso

Iscritto il: mercoledì 20 settembre 2006, 20:44
Messaggi: 6418
Località: Sorbolo di Sorbolo Mezzani (PR)
No, così non funziona, e il sistema potrebbe pure provocare danni.

Primo, devi invertire i due reed, così funziona il circuito, però non elimini il rischio danni.
Secondo, elimina il filo verde alle rotaie che viene dall'alimentatore degli accessori, non serve, e potrebbe fare danni, i due circuiti devono rimanere indipendenti ed isolati tra di loro.
Terzo, se manca corrente proprio mentre transita il treno il relè si diseccita e ... fai lo stampino.
Quarto, lo stesso circuito devi farlo su entrambi i percorsi, e devi interbloccarli tra di loro: occorrono relè ad almeno 3 contatti, altrimenti si potrebbero fermare entrambi i treni.
Quinto, i relè non hanno una numerazione secondo il produttore ma seguono una numerazione a norme, il tipo di relè da te utilizzato, ovvero il suo zoccolo, ha due numerazionei solo per compatibilità tra norme di diverse epoche e diverse parti del mondo (però ormai sono passati quasi oltre 40 anni dall'unificazione).
Sesto, la reperibilità dei reed è pari per sia per gli NA sia per gli NC, quelli usati per gli impianti d'allarme non vanno tutti bene.

Un impianto simile sarebbe meglio farlo con relè bistabili a memoria magnetica (con due bobine, per intenderci) e quindi utilizzare tutti reed normalmente aperti, se manca corrente tutto resta memorizzato e non ci sono danni, poi magari aggiungi due pulsanti di reset. I relè bistabili a memoria tipicamente hanno solo due contatti: bastano.

In ultimo, tutto è semplice se i due binari sono monodirezionali, se invece sono bidirezionali il circuito si complica, occorre fare quattro circuiti e servono anche ulteriori relè di ripetizione.
Se poi fai doppie trazioni il sistema non va bene, bisogna estendere il circuito tenendo conto delle posizioni che può assumere la seconda loco, ovvero automotrice: testa, coda, intercalata.

Mi pare di capire che alimenti i binari in digitale, se è così attento ai veicoli o/e treni con passo elettrico lungo, ad esempio le carrozze illuminate potrebbero non far funzionare l'arresto e in caso estremo annullare i comandi memorizzati dai decoder presenti su quel binario, impedendo la ripartenza del treno: si crea un continuo vai e vieni dell'alimentazione del tratto sezionato quindi del decoder; in questo caso i decoder non si divertono.
In questo caso è meglio utilizzare decoder con implememtato il sistema ABC, e quindi eseguire gli opportuni cablaggi ai circuiti dei binari.
In analogico basta considerare un sezionamento maggiorato di 50/60 cm rispetto al treno con il passo elettrico più lungo.


Top
 Profilo  
 
 Oggetto del messaggio: Re: Vs. Valutazione Schema Elettrico
MessaggioInviato: sabato 24 settembre 2011, 0:01 
Non connesso

Iscritto il: venerdì 27 maggio 2011, 13:43
Messaggi: 22
Grazie, Marco.
Quanto hai scritto mi spiazza un po' perché, come premesso, non sono molto forte in elettrotecnica, ma certamente imparerò qualcosa. Ora dovrò rivedere il tutto alla luce delle tue indicazioni.
Aggiungo, invece, che il percorso dei treni è monodirezionale e che non intendo fare doppie trazioni. Interessante la "storia" delle carrozze illuminate: Non ci avevo pensato!
Spero di tornare ad aggiornarvi presto.
Giulio


Top
 Profilo  
 
Visualizza ultimi messaggi:  Ordina per  
Apri un nuovo argomento Rispondi all’argomento  [ 3 messaggi ] 

Tutti gli orari sono UTC + 1 ora [ ora legale ]


Chi c’è in linea

Visitano il forum: Google [Bot] e 5 ospiti


Non puoi aprire nuovi argomenti
Non puoi rispondere negli argomenti
Non puoi modificare i tuoi messaggi
Non puoi cancellare i tuoi messaggi
Non puoi inviare allegati

Cerca per:
Vai a:  
banner_piko

Duegi Editrice - Via Stazione 10, 35031 Abano Terme (PD). Italy - Tel. 049.711.363 - Fax 049.862.60.77 - duegi@duegieditrice.it - shop@duegieditrice.it
Direttore editoriale: Luigi Cantamessa - Amministratore unico: Federico Mogioni - Direttore responsabile: Pietro Fattori.
Registro Operatori della Comunicazione n° 37957. Partita iva IT 05448560283 Tutti i diritti riservati Duegi Editrice Srl