Oggi è sabato 25 aprile 2026, 21:48

Tutti gli orari sono UTC + 1 ora [ ora legale ]




Apri un nuovo argomento Rispondi all’argomento  [ 79 messaggi ]  Vai alla pagina Precedente  1, 2, 3, 4, 5, 6
Autore Messaggio
 Oggetto del messaggio: Re: IDEE & PROGETTI: consigli
MessaggioInviato: giovedì 16 agosto 2012, 15:29 
Non connesso

Iscritto il: giovedì 21 giugno 2012, 14:23
Messaggi: 3793
Località: Massa Finalese (MO)
Concordo con te in tutto e per tutto. Oltre ad una scheda a doppia faccia, si può anche usare una classica millefori. Magari viene un po' meno professionale, ma non dobbiamo mica esporla al pubblico :mrgreen:!

Ah, le forbici di binari le si possono realizzare con tutti i sistemi di binario che contemplino un incrocio con angolo tra i binari divergenti doppio di quello normale. Lo scotto da pagare è un allargamento dell'interbinario (cosa che, nel caso in questione, è da evitarsi).


Top
 Profilo  
 
 Oggetto del messaggio: Re: IDEE & PROGETTI: consigli
MessaggioInviato: giovedì 16 agosto 2012, 20:03 
Non connesso

Iscritto il: domenica 14 marzo 2010, 21:37
Messaggi: 1994
Località: Faenza
per lucapassanisi

lo schema che avevo postato serve ad aiutare la gestione della zona non in vista,
ma potrebbe essere riadattato per comandare i segnali in stazione.
Nel vero non basta girare uno scambio per comandare a via libera un segnale,
ma occorre un atto volontario, che viene sintetizzato dalla frase "aprire il segnale".

Negli ACE (Apparati Centrali Elettrici) sono disponibili leve per ogni ente da comandare (scambi, passaggi a livello, fermascambi, ...).
Una volta posizionato ogni ente, si può azionare la leva del segnale.

Negli ACEI (Apparati Centrali Elettrici ad Itinerari) e negli ACC / ACS (Apparati Centrali a Calcolatore / Apparati Centrali Statici) c' è una leva di segnale, che viene normalmente tenuta a Via Libera.
Ma la leva ha solo il potere di inibire la messa a via libera del segnale. Mai lo può comandare a via libera se non è già formato un itinerario valido.

Quindi, al vero, per disporre a via libera il segnale di partenza c' è sempre un' azione da compiere. Non avviene automaticamente.

Nel modellismo si può fare ciò che si vuole.

Alcuni collegano permanentemente il segnale alla posizione degli scambi. Avviene, però, una cosa che io non farei in nessun caso.
Si ha via libera, contemporaneamente, per i treni che entrano e per quelli che escono.
Quindi si può vedere un treno transitare, mentre il segnale incontrato di spalle è a via libera (ma il segnalamento USA non è concettualmente dissimile).
Da noi la cosa toglierebbe il sonno a movimentisti veri.
D' altra parte, cedere una così grande parte di realismo ha il vantaggio di non richiedere alcun intervento da parte dell' operatore.

Invece io, nel modellismo, accetto di buon grado l' equazione : movimento treno = azione da compiere da parte del movimentista.
Come nella realtà.

Accettato di compiere un' azione per ogni movimento di treno, si può avere la leva di segnale oppure il pulsante di segnale.
Il pulsante di segnale consentirebbe di mettere a via libera il segnale a comando, ma richiede qualcosa che riporti a Via Impedita il segnale. Nella realtà se ne occupa un circuito di binario.
In fermodellismo fare un circuito di binario per l' analogico richiede qualche conoscenza di elettronica.

La leva di segnale potrebbe essere un comune interruttore a levetta che, azionato, darebbe il consenso permanente di apertura del segnale.
Occorrerebbe, però, ricordarsi di ricommutarlo a treno passato.

Una via intermedia può essere adottata copiando da Marcello (PT), che usa dei reed.
Sarebbe sufficiente che ad inizio convoglio ci fosse un piccolo magnete (ad entrambe le estremità nei convogli navetta).
Un reed posto a valle del segnale di protezione potrebbe riportare a Via Impedita il segnale aperto, sia in caso di movimento di entrata, sia in caso di movimento di uscita.

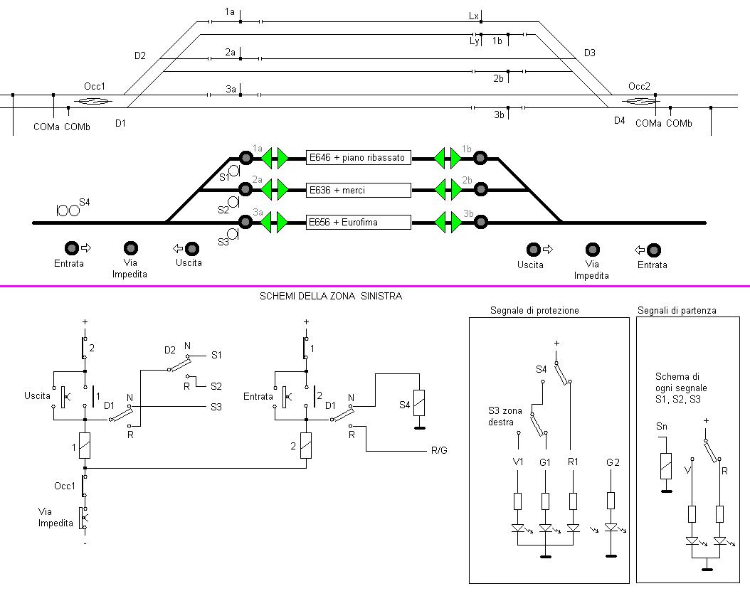
Allora si potrebbe provare uno schema simile :
Allegato:
Commutazione alimentazioni - 6.JPG
Commutazione alimentazioni - 6.JPG [ 90.4 KiB | Osservato 3560 volte ]

Per far uscire un treno, occorre girare opportunamente gli scambi, poi si preme il tasto "Uscita".
Esso metterà a via libera solo il segnale corrispondente alla posizione degli scambi.
Una volta che il primo veicolo, dotato di magnete, transiterà sul reed a valle dello scambio, il segnale tornerà automaticamente a Via Impedita, riportando l' impianto nelle condizioni di riposo.

Non è una sicurezza, dato che non controlla che le tratte interessate siano libere. Inoltre, girando uno scambio a segnale già aperto, il verde passerà al segnale del binario corrispondente.
In altre parole, l' indicazione di via libera non blocca nulla, se non il segnale stesso.

Il pulsante "Via Impedita" serve a riportare rosso il segnale se si dovesse cambiare idea (comando non presente nella realtà).
Analoga operazione si svolgerà per far entrare un treno.
Si posizionano gli scambi, poi si preme il pulsante "Entrata". Il segnale si disporrà Giallo, se per corretto tracciato, Verde se sarà aperto anche il segnale S3 di uscita.
Se il primo scambio è deviato, allora il segnale si accende R/G, e non cambia in caso di via libera in uscita.

Il principio di base di questi automatismi è il relè collegato in autoritenuta.
E' un sistema che consente ad un relè di restare eccitato anche una volta cessato il comando che lo ha fatto inserire.

Se prendiamo come esempio il relè "1", che comanda il via libera ai segnali di partenza, vediamo che :
- premendo il pulsante "Uscita", arriverà tensione alla bobina del relè. Occorre che sia chiuso il contatto "2", ovvero che non sia già attivo il via libera in senso inverso.
- eccitanto il relè "1", si chiuderà il contatto "1" in parallelo al pulsante. Questo farà restare autoeccitato il relè
- la tensione presente sulla bobina arriverà anche al contatto D1, corrispondente alla posizione del relativo deviatoio
- in corretto tracciato, il comando arriverà al segnale S3
- poi il treno transiterà sul reed Occ1. E' del tipo normalmente chiuso, quindi si apre in presenza del magnete. E' disegnato in schema ed anche nel circuito elettrico in alto, per mostrarne il posizionamento
- l' apertura del contatto Occ1 disalimenterà il relè "1", che si disecciterà, tornando in posizione di riposo. Il segnale finora a via libera, tornerà a via impedita.

Stesso meccanismo per il relè "2" che disporrà a via libera il segnale di protezione (eventualmente si potrebbe aggiungere il segnale di avviso).
La differenza stà nel fatto che :
- con S1 Normale (dritto), il segnale si aprira in giallo. Se presente via libera in uscita dal lato destro, allora il segnale di protezione diverrà verde. E' il transito.
- con S2 Rovescio (deviato), il segnale si aprirà Rosso su Giallo, indipendentemente dalla posizione dello scambio D2.

E' solo un sistema per comandare i segnali, non un sistema di sicurezza. Quindi consente di aprire un segnale verso un binario occupato. Questa cosa và gestita manualmente.

In caso di apertura erronea del segnale, il tasto "Via Impedita" consente di annullare l' operazione.

Ma non finisce quì.
Il dare tensione al segnale per portarlo a via libera, andrebbe bene per un segnale vero. Ma i segnali modellistici necessitano di un segnale per il rosso ed uno per il verde.
In tal caso si aggiunge un relè, come mostrato per i segnali S1, S2 e S3.
Nel caso del segnale di protezione, i relè sono due, perchè occorre gestire anche il giallo.
Gli schemi per comando del segnale potrebbero richiedere modifiche a seconda del cablaggio interno, che può variare da marca a marca.

Come relè, ne basta uno molto piccolo. Si potrebbe usare :
- RS Components 619-3029 Marca TE Conn Modello MT2 codice MT2-C93418 bobina 12V 720 Ohm 2 scambi (DPST) Euro 1.74 (1 pz) + IVA
non costa molto, non assorbe molto.

Per alimentare la logica basterebbe un alimentatore da muro (Wall adapter) da 12 V DC, 0.5 A

Naturalmente, prima di costruire un plastico basato su questi principi, occorre provarli "sul pavimento". Poi si dovrà fare uno scema dettagliato, che comprenda tutti i binari e scambi.

Questo sistema và bene per qualsiasi comando di deviatoio. Occorre solo che abbia il contatto di posizione. Meglio quelli a movimento lento, perchè, di solito, hanno più di un contatto disponibile.


Stefano Minghetti


Top
 Profilo  
 
 Oggetto del messaggio: Re: IDEE & PROGETTI: consigli
MessaggioInviato: venerdì 17 agosto 2012, 16:56 
Non connesso

Nome: Aldo Ivaldi
Iscritto il: sabato 3 luglio 2010, 20:25
Messaggi: 258
Località: Roma
Bomby ha scritto:
Concordo con te in tutto e per tutto. Oltre ad una scheda a doppia faccia, si può anche usare una classica millefori. Magari viene un po' meno professionale, ma non dobbiamo mica esporla al pubblico :mrgreen:!


Buona vecchia filosofia BCF (Basta Che Funzioni)! E che sia facilmente accessibile, facilmente riparabile, facile da capire (se ti perdi gli schemi), etc! :lol: :lol: :lol:

Gully


Top
 Profilo  
 
 Oggetto del messaggio: Re: IDEE & PROGETTI: consigli
MessaggioInviato: sabato 25 agosto 2012, 14:30 
Non connesso

Iscritto il: domenica 14 marzo 2010, 21:37
Messaggi: 1994
Località: Faenza
Ho esagerato ?

Può darsi.
Per chi fosse interessato :

Allegato:
Commutazione alimentazioni - 7.JPG
Commutazione alimentazioni - 7.JPG [ 47.95 KiB | Osservato 3441 volte ]


Nella convenzione di disegno, la bobina di un relè è rappresentata da un rettangolo barrato.
I contatti sono disegnati a bobina disalimentata. Esistono normalmente aperti (si chiudono all' eccitazione) e normalmente chiusi (si aprono all' eccitazione).
All' eccitazione della bobina i contatti si spostano verso sinistra (nel disegno).
Un numero a fianco di bobina e contatti li identifica e li lega. Stesso numero, stesso relè.

I relè commerciali hanno normalmente i contatti in scambio. E' la combinazione di un normalmente aperto ed un normalmente chiuso. Con un polo in comune.
E' l' ultimo a destra rappresentato.
Ma nulla vieta di usarli come contatti singoli (normalmente aperto oppure normalmente chiuso).

Per costruire lo schema più sopra si può fare un blocco per volta e provarlo.
Una volta controllato il funzionamento, si può riprodurre il blocchetto "in serie".

Ovviamente non è un' operazione del tipo " lo tolgo dalla scatola, lo metto e và".
Richiede un minimo di conoscenze elettriche. Sia per la costruzione, sia per diagnosi di eventuali guasti nel tempo.


Stefano Minghetti


Top
 Profilo  
 
Visualizza ultimi messaggi:  Ordina per  
Apri un nuovo argomento Rispondi all’argomento  [ 79 messaggi ]  Vai alla pagina Precedente  1, 2, 3, 4, 5, 6

Tutti gli orari sono UTC + 1 ora [ ora legale ]


Chi c’è in linea

Visitano il forum: Nessuno e 7 ospiti


Non puoi aprire nuovi argomenti
Non puoi rispondere negli argomenti
Non puoi modificare i tuoi messaggi
Non puoi cancellare i tuoi messaggi
Non puoi inviare allegati

Cerca per:
Vai a:  
banner_piko

Duegi Editrice - Via Stazione 10, 35031 Abano Terme (PD). Italy - Tel. 049.711.363 - Fax 049.862.60.77 - duegi@duegieditrice.it - shop@duegieditrice.it
Direttore editoriale: Luigi Cantamessa - Amministratore unico: Federico Mogioni - Direttore responsabile: Pietro Fattori.
Registro Operatori della Comunicazione n° 37957. Partita iva IT 05448560283 Tutti i diritti riservati Duegi Editrice Srl