Oggi è martedì 3 marzo 2026, 22:09

Tutti gli orari sono UTC + 1 ora [ ora legale ]




Apri un nuovo argomento Rispondi all’argomento  [ 4 messaggi ] 
Autore Messaggio
 Oggetto del messaggio: CERCO CONSIGLI SU COLLEGAMENTO DI UN RELE' !!
MessaggioInviato: domenica 18 ottobre 2015, 8:39 
Non connesso

Iscritto il: sabato 18 gennaio 2014, 2:00
Messaggi: 63
Salve: eccomi con un altro problema.
Ho trovato, nella scatola della mia "ferramenta", questo vecchio relè della
Fleishmann e volevo utilizzarlo per fare un "va e vieni" automatico su uno
spezzone di un metro di binario.
Lo spezzone è già pronto, i pedalini di contatto P1 e P2 sono al posto giusto,
i trasformatori a 12 V. cc. e a 15 V ca. ci sono ...... manca lo schema dei vari
collegamenti e non so proprio da dove cominciare, anche perchè vorrei
evitare qualche corto circuito.
C'è qualche "bravo e COMPETENTE giovane " in grado di aiutarmi ?
Allego un disegno eloquente, in modo che io possa capire meglio.
Grazie molto.

Andrea

la mia email: trenomerci@libero.it


Allegati:
relè.jpg
relè.jpg [ 39.58 KiB | Osservato 2649 volte ]
Top
 Profilo  
 
 Oggetto del messaggio: Re: CERCO CONSIGLI SU COLLEGAMENTO DI UN RELE' !!
MessaggioInviato: domenica 18 ottobre 2015, 10:18 
Non connesso

Nome: Luigi Cartello
Iscritto il: lunedì 15 agosto 2011, 16:44
Messaggi: 761
Località: Torino
Dalla foto postata parrebbe trattarsi dell'art. Fleischmann 6958, ossia di un dispostivo di estensione per il blocco Fleishmann 6957, utilizzabile come da schema seguente.

Le istruzioni (purtroppo solamente in tedesco) sono a questo indirizzo:
https://www.fleischmann.de/uploads/documents/pdf/2/Technik-Info_Blocksystem_6957-6958.pdf

Io non sono certamente il massimo esperto in materia, ma secondo me è impossibile realizzare un va e vieni solo con quell'aggeggio e 2 pedali.

Luigi Cartello


Allegati:
Blocco Fleishmann.jpg
Blocco Fleishmann.jpg [ 167.87 KiB | Osservato 2628 volte ]
Top
 Profilo  
 
 Oggetto del messaggio: Re: CERCO CONSIGLI SU COLLEGAMENTO DI UN RELE' !!
MessaggioInviato: lunedì 19 ottobre 2015, 14:14 
Non connesso

Iscritto il: venerdì 13 gennaio 2006, 20:49
Messaggi: 1037
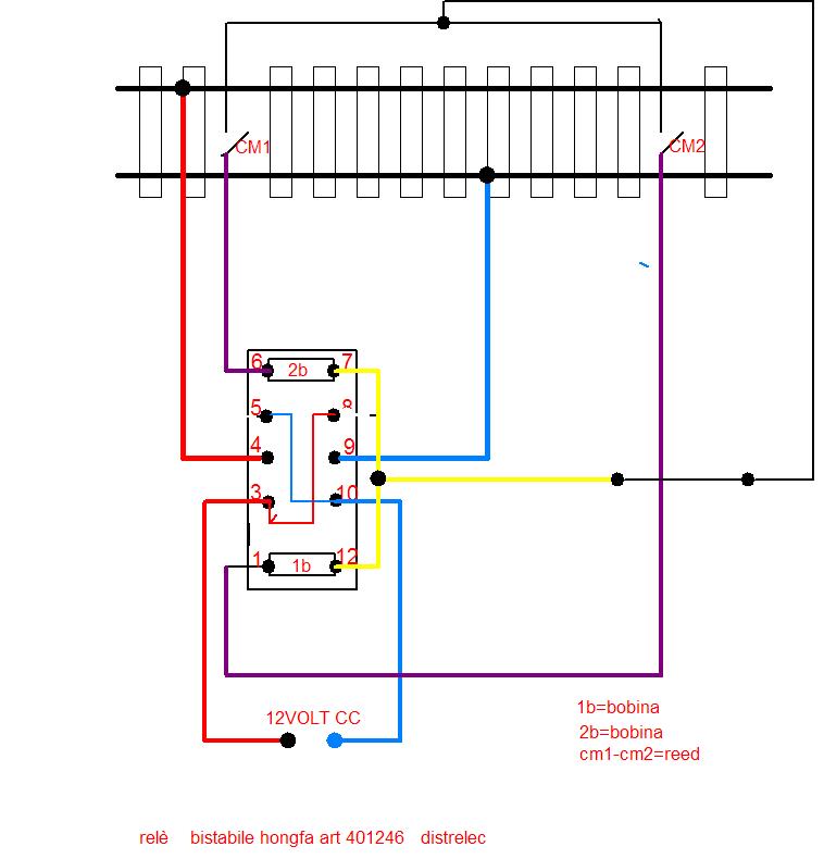
ti conviene utilizzare un relè bistabile a doppia bobina, li trovi a pochi euro.
i Fleischmann, con il sistema a bilanciere sono poco affidabile nel tempo, si bloccano (almeno a me è successo).
volendo ci puoi anche mettere due temporizzatori, in questo caso Fleischmann.
saluti.
Frenk


Allegati:
invertitore_di_marcia.jpg
invertitore_di_marcia.jpg [ 52.84 KiB | Osservato 2536 volte ]
Top
 Profilo  
 
 Oggetto del messaggio: Re: CERCO CONSIGLI SU COLLEGAMENTO DI UN RELE' !!
MessaggioInviato: lunedì 19 ottobre 2015, 14:34 
Non connesso

Iscritto il: venerdì 13 gennaio 2006, 20:49
Messaggi: 1037
altrimenti ti devi procurare questo della Fleischmann (sulla baya tedesca lo trovi a buon prezzo), sicuramente più affidabile. non è altro che un relè bistabile a doppia bobina a 12 volt della Panasonic, tempo fa ho aperto la cassa....
saluti.
Frenk


Allegati:
relé 2.jpg
relé 2.jpg [ 206.73 KiB | Osservato 2528 volte ]
Top
 Profilo  
 
Visualizza ultimi messaggi:  Ordina per  
Apri un nuovo argomento Rispondi all’argomento  [ 4 messaggi ] 

Tutti gli orari sono UTC + 1 ora [ ora legale ]


Chi c’è in linea

Visitano il forum: Google Adsense [Bot], Marcello (PT) e 24 ospiti


Non puoi aprire nuovi argomenti
Non puoi rispondere negli argomenti
Non puoi modificare i tuoi messaggi
Non puoi cancellare i tuoi messaggi
Non puoi inviare allegati

Cerca per:
Vai a:  
banner_piko

Duegi Editrice - Via Stazione 10, 35031 Abano Terme (PD). Italy - Tel. 049.711.363 - Fax 049.862.60.77 - duegi@duegieditrice.it - shop@duegieditrice.it
Direttore editoriale: Luigi Cantamessa - Amministratore unico: Federico Mogioni - Direttore responsabile: Pietro Fattori.
Registro Operatori della Comunicazione n° 37957. Partita iva IT 05448560283 Tutti i diritti riservati Duegi Editrice Srl