|
Ecco una spiegazione del funzionamento del sistema 2x25kV utilizzato sulle reti AV e il problema delle interferenze.
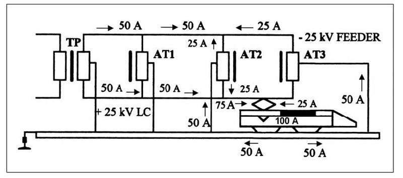
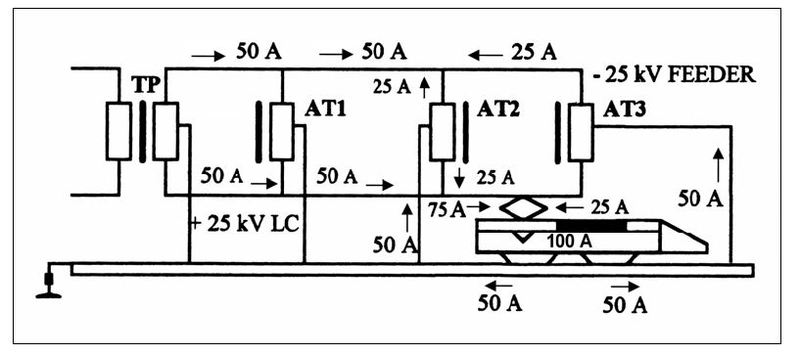
Il sistema 2x25kV, utilizzato nella trazione ferroviaria ad alta velocità in Italia (ma anche e soprattutto in Francia,paese che ha sviluppato per primo questo sistema) prevede l'impiego di autotrasformatori a presa centrale. La presa centrale, a potenziale nullo, e collegata al binario, gli altri due poli sono alla tensione di 25kV rispetto a detta presa centrale. Uno dei due poli è collegato alla LC e l'altro polo ad un feeder installato sugli stessi sostegni della linea aerea (il cavo appeso, tramite isolatori, ai pali di sostegno che potete notare su tutte le linee AV). Per questo la massima differenza di potenziale in questo sistema è di 50kV, ma la tensione a cui è sottoposto il materiale rotabile è comunque di 25kV, essendo il materiale rotabile sottoposto alla tensione tra LC e binario. L'impiego di questo sistema permette di limitare le cadute di tensione in linea con il beneficio di poter allontanare fra di loro le sottostazioni. Installando autotrasformatori a presa centrale lungo la linea la medesima può essere suddivisa in numerose sezioni, con il risultato che è possibile trasportare l'energia per alimentare i convogli a 50kV anzichè a 25kV, con conseguente diminuzione di correnti assorbite e quindi cadute di tensione. A 25kV l'energia viene trasportata soltanto nella sezione in cui è presente il convoglio. Questo schema, oltre al suddetto vantaggio di consentire, a parità di cadute di tensione, un maggior distanziamento delle sottostazioni, presenta anche quello di dar luogo a minori interferenze sulle linee di telecomunicazioni adiacenti. Un complesso di conduttori paralleli percorsi da correnti alternate, qual è la linea di contatto della trazione monofase, crea nello spazio circostante un campo magnetico che, se ci si pone a distanza elevata rispetto alla distanza tra i conduttori, è proporzionale alla somma (vettoriale) delle correnti nei conduttori stessi. Se il binario fosse isolato da terra, tale somma sarebbe comunque nulla e tale sarebbe anche il campo; poiché, invece, il binario non è isolato, una buona parte della corrente che lo percorre si disperde nel suolo, per cui detta somma non è più nulla e si ha un campo risultante tanto più intenso quanto più elevata è la somma delle correnti, cioè la quota di corrente che si disperde nel terreno, la quale, a parità di altre condizioni, è abbastanza proporzionale alla corrente che percorre il binario. Nel caso del sistema 25 kV convenzionale la corrente di ritorno impegna il binario lungo l’intero tratto da ciascun punto di carico alla sottostazione, con cumulo degli effetti di tutti i carichi. Nel caso del 2 x25 kV risulta invece che nelle celle libere nessuna corrente (in realtà solo una modesta corrente) passa nel binario. Pertanto viene a mancare l’effetto di cumulo, in quanto ciascun treno praticamente crea interferenze solo nella cella che occupa; inoltre, nella cella stessa la corrente di ritorno si ripartisce bilateralmente e anche per questo motivo si ha una riduzione delle interferenze rispetto al caso del 25 kV convenzionale. In pratica, con il sistema 2x25kV, la corrente circola nel binario solo nella sezione occupata, nelle altre sezioni non circola corrente nel binario. Siccome è la corrente che si disperde nel terreno attraverso il binario a dare luogo a interferenze, tale sistema permette di ridurre i disturbi. Nelle celle libere infatti la corrente circola nel feeder e nella LC, ove non c'è dispersione e quindi la somma vettoriale delle correnti è (quasi) nulla e quindi quasi nulle anche le interferenze. Occorre inoltre considerare che, essendo l'entità delle interferenze, legata al valore delle correnti le minori correnti in gioco ottenute trasportando l'energia a 50kV favoriscono una ulteriore diminuzione delle interferenze. Questo tipo di analisi è vero in prima approssimazione, ci sono poi effetti di altro tipo che generano interferenze, anche se comunque con questo tipo di analisi si riescono ad evedenziare gli effetti più macroscopici del fenomeno.
Fatta 100A la corrente assobita (ipoteticamente) ecco come si distribuiscono le correnti nel sistema 2x25kV
| Allegati: |

2x25kV.JPG [ 43.12 KiB | Osservato 3044 volte ]
|
|